- リフォームTOP >
- リフォームの流れ >
- キッチンリフォーム >
- キッチンリフォーム施工事例 >
- 特殊な形状にも対応した、Panasonic Lクラスのオーダーキッチン
特殊な形状にも対応した、Panasonic Lクラスのオーダーキッチン

お客様のご要望
古くなっているキッチンを替えたい。
特殊な形をしているが今の間取りを変えずにそのままの形でオーダーしたい。
食洗機を付け、ガスコンロは最近替えたばかりなので既存利用したい。
リフォーム詳細
リフォームデータ
| リフォーム内容 | キッチンリフォーム | ||
|---|---|---|---|
| 費用 | 3,032,191円(税込) | 工期 | 5日間 |
| 現場名 | 草津市 A様邸 | 担当 | 滋賀草津ショールーム |
| 商品仕様 | キッチン:Panasonic Lクラス フルオーダー(扉色:グレージュレザー柄) | ||
リフォームのポイント
奥行きを広く確保したまま設置できるよう、台形の天板がそのまま納まるように細かく採寸し、オーダーで対応しました。
正面側の床にハリがあったため、その部分の収納についてはご希望に沿うことができませんでしたが、ハリの形状に合わせて現場施工で収納内部を造作しました。
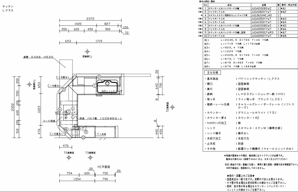
図面

施工前

施工中の様子

施工後



お客様の声
きれいになって使いやすいです。
食洗機を設置でき、洗い物の手間がなくなりました。
一部分で収納がスライドになったので使い勝手がよくなりました。
担当スタッフより一言

この度はニッカホームにて工事のご依頼いただきありがとうございました。
多数のメーカーにこのようなオーダーキッチンができるか確認しましたが、PanasonicのLクラスのみが施工できるとのことでご希望に沿った工事ができ嬉しく思います。
存分にLクラスキッチンを使ってください。
ありがとうございました。















